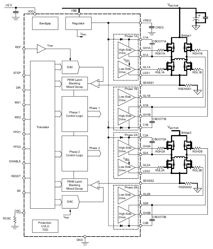
The A4989 is a dual full-bridge gate driver with integrated microstepping translator suitable for driving a wide range of higher power industrial bipolar 2-phase stepper motors (typically 30 to 500 W). Motor power is provided by external N-channel power MOSFETs at supply voltages from 12 to 50 V.
This device contains two sinusoidal DACs that generate the reference voltage for two separate fixed-off-time PWM current controllers. These provide current regulation for external power MOSFET full-bridges.
Motor stepping is controlled by a two-wire step and direction interface, providing complete microstepping control at full-, half-, quarter-, and sixteenth-step resolutions. The fixed-off time regulator has the ability to operate in slow-, mixed-, or fast-decay modes, which results in reduced audible motor noise, increased step accuracy, and reduced power dissipation.
The translator is the key to the easy implementation of this IC. Simply inputting one pulse on the STEP input drives the motor one step (full, half, quarter, or sixteenth depending on the microstep select input). There are no phase-sequence tables, high frequency control lines, or complex interfaces to program. This reduces the need for a complex microcontroller.
The above-supply voltage required for the high-side N-channel MOSFETs is provided by a bootstrap capacitor. Efficiency is enhanced by using synchronous rectification and the power FETs are protected from shoot-through by integrated crossover control and programmable dead time.
In addition to crossover current control, internal circuit protection provides thermal shutdown with hysteresis and undervoltage lockout. Special power-up sequencing is not required.
This component is supplied in an 38-pin TSSOP (package LD). The package is lead (Pb) free, with 100% matte tin leadframe plating.


Allegro MicroSystems Germany GmbH
Adlerweg 1
D-79856 Hinterzarten, GERMANY
Phone: +49-(0)7652-9106-0
Fax: +49-(0)7652-767
Email: info.germany@allegromicro.com
Allegro MicroSystems Germany GmbH
Vangerowstr. 18/1
D-69115 Heidelberg, GERMANY
Phone: +49 (0) 6221 8723 5
Email: info.germany@allegromicro.com
If this is not your local representative, find your local sales rep here.

This component is supplied in an 38-pin TSSOP (package LD). The package is lead (Pb) free, with 100% matte tin leadframe plating.
NOTE: When ordering an APEK4989SLD-01-T demo board, please remember to order both part numbers
There are no news items available for this product.
| Part Number | Package Type | Temperature | RoHS Compliant |
Part Composition / RoHS Data |
Comments | Samples | Check Distributor Stock |
|---|---|---|---|---|---|---|---|
| A4989SLDTR-T | 38-lead TSSOP | -20°C to 85°C | Yes | View Data | Contact your local sales rep |
Check Stock | |
| APEK4989SLD-01-T | DEMO BOARD | -20°C to 85°C | No | -- | Contact your local sales rep |
Check Stock |