This device is no longer in production. The device should not bepurchased for new design applications. Samples are no longer available. Date of status change: October 31, 2011.
Recommended Substitutions: For existing customer transition, and for new customers or new applications, refer to the following parts:
The A132X family of linear Hall-effect sensor ICs are optimized, sensitive, and temperature-stable. These ratiometric Hall-effect sensor ICs provide a voltage output that is proportional to the applied magnetic field. The A132X family has a quiescent output voltage that is 50% of the supply voltage and output sensitivity options of 2.5 mV/G, 3.125 mV/G, and 5 mV/G. The features of this family of devices are ideal for use in the harsh environments found in automotive and industrial linear and rotary position sensing systems.
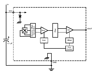
Each device has a BiCMOS monolithic circuit which integrates a Hall element, improved temperature-compensating circuitry to reduce the intrinsic sensitivity drift of the Hall element, a small-signal high-gain amplifier, and a rail-to-rail low-impedance output stage.
A proprietary dynamic offset cancellation technique, with an internal high-frequency clock, reduces the residual offset voltage normally caused by device overmolding, temperature dependencies, and thermal stress. The high frequency clock allows for a greater sampling rate, which results in higher accuracy and faster signal processing capability. This technique produces devices that have an extremely stable quiescent output voltage, are immune to mechanical stress, and have precise recoverability after temperature cycling. Having the Hall element and an amplifier on a single chip minimizes many problems normally associated with low-level analog signals.
Output precision is obtained by internal gain and offset trim adjustments made at end-of-line during the manufacturing process.


ALLREM (Representative, Allegro and Sanken Semiconductors)
38 Rue du Séminaire
CENTRA 394
94616 Rungis Cedex, FRANCE
Phone: 01.56.70.03.80
Fax: 01.56.70.03.89
Email: allegroeurope@allegromicro.com
If this is not your local representative, find your local sales rep here.

The A132X family is provided in a 3-pin single in-line package (UA) and a 3-pin surface mount package (LH). Each package is available in a lead (Pb) free version (suffix, –T) , with a 100% matte tin plated leadframe.
There are no news items available for this product.
| Part Number | Package Type | Temperature | RoHS Compliant |
Part Composition / RoHS Data |
Comments | Samples | Check Distributor Stock |
|---|---|---|---|---|---|---|---|
| A1321ELHLT-T | 3-lead SOT | -40°C to 85°C | Yes | View Data | Discontinued | Contact your local sales rep |
Check Stock |
| A1321EUA-T | 3-lead SIP | -40°C to 85°C | Yes | View Data | Discontinued | Contact your local sales rep |
Check Stock |
| A1321LLHLT-T | 3-lead SOT | -40°C to 150°C | Yes | View Data | Discontinued | Contact your local sales rep |
Check Stock |
| A1321LUA-T | 3-lead SIP | -40°C to 150°C | Yes | View Data | Discontinued | Contact your local sales rep |
Check Stock |
| A1322LLHLT-T | 3-lead SOT | -40°C to 150°C | Yes | View Data | Discontinued | Contact your local sales rep |
Check Stock |
| A1322LUA-T | 3-lead SIP | -40°C to 150°C | Yes | View Data | Discontinued | Contact your local sales rep |
Check Stock |
| A1323EUA-T | 3-lead SIP | -40°C to 85°C | Yes | View Data | Discontinued | Contact your local sales rep |
Check Stock |
| A1323LLHLT-T | 3-lead SOT | -40°C to 150°C | Yes | View Data | Discontinued | Contact your local sales rep |
Check Stock |
| A1323LUA-T | 3-lead SIP | -40°C to 150°C | Yes | View Data | Discontinued | Contact your local sales rep |
Check Stock |