Automotive Relay Driver with Integrated 5V Regulator, Watchdog, and Reset

A2550

LP TSSOP 16 pin

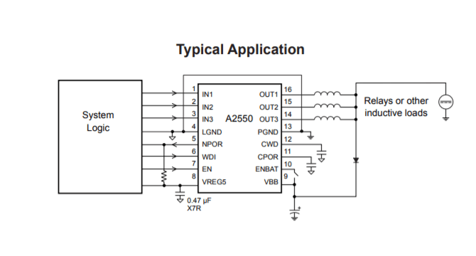
The A2550 simplifies automotive relay control systems by integrating a 5V regulator, watchdog timer, power-on reset, and three low-side DMOS drivers with load-dump protection. This single-chip solution reduces component count and enhances system reliability.

* Note: If you have issues logging into this feature you may need to enable 3rd party cookies in your browser settings A2550 ECAD Model Type Image

Top Features

Packaging

  • Three independent low-side DMOS output drivers 
  • Short-circuit protection of drivers 
  • Eliminates need for flyback diodes on relays 
  • Thermal shutdown 
  • Separate precision 5 V regulator (2%) 
  • Current clamp on 5 V regulator 
  • 16-pin TSSOP package with exposed thermal pad 
  • Programmable reset (NPOR) delay time 
  • Programmable watchdog 
  • Automotive voltage and temperature ranges 
  • Active clamps for automotive load dump specifications 
  • Lead (Pb) free 

16-Pin TSSOP with exposed thermal pad (suffix LP) 

Part Number Specifications and Availability

Documentation and Resources

Documentation

設計ツール

Filter Document Type:
All Types
All Types Brochure
Documents Found: 32
Filter Document Type:
All Types
All Types Webpage
Documents Found: 32
Document Type Document Name
Webpage
Software Portal