A4970:双路全桥式 PWM 电动机驱动器

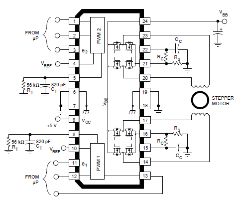
典型应用
* Note: If you have issues logging into this feature you may need to enable 3rd party cookies in your browser settings A4970 ECAD Model Type Image

Description

Top Features

A4970 电动机驱动器可驱动双极步进电动机的两个绕组,或双向控制两个直流电动机。 两个电桥都能保持 45 伏特电压,包括 750 毫安输出电流的内部脉宽调制 (PWM) 控制。

对于 PWM 电流控制,最大输出电流取决于用户选择的参考电压和感应电阻。两个逻辑电平输入可选择的输出电流限制为最大电平的 0%、33%、67% 或 100%。 每个电桥的“相位”输入决定着负载电流的方向。

MOSFET 输出结构中的本征二极管可防止电感瞬态。内部生成延迟可避免在切换电流方向时出现交叉电流。不需要特别的加电排序。 热保护电路可在芯片温度超出安全工作极限时禁用输出。

该器件封装是 24 引脚表面安装宽体 SOIC,带两对蝙蝠式引脚 (LB)。 引脚的交织结构使器件能够以最小的空间实现最大的散热效果。 该封装为无铅封装,采用 100% 雾锡电镀引脚框。

  • 750 毫安连续输出电流
  • 45 伏特输出保持电压
  • 内部钳位二极管
  • 内部 PWM 电流控制
  • 低输出饱和电压
  • 内部过热关机电路
  • 兼容 UDx2916 的引脚
  • DMOS 输出

Part Number Specifications and Availability

Documentation and Resources

设计工具

Filter Document Type:
All Types
All Types Webpage
Documents Found: 32
Document Type Document Name
Webpage
Software Portal