A8519 和 A8519-1:宽输入电压范围高效率容错 LED 驱动器

Product Image
* Note: If you have issues logging into this feature you may need to enable 3rd party cookies in your browser settings A8519 ECAD Model Type Image

Description

Top Features

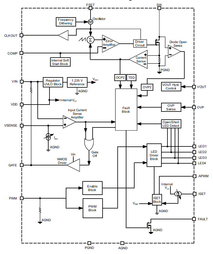
A8519 是一款用于小尺寸 LCD 背光的多输出 LED 驱动器。它整合了电流模式升压转换器与内部电源开关和四个电流吸收器。升压转换器可驱动多达 44 个白光 LED、每串 11 个 LED(每串电流为 100 mA)。LED 电流吸收器可并联,以达到更高的 LED 电流,最高可达 400 mA。A8519 可在 4.5 V 到 40 V 的单一电源下运行,使该部件可承受汽车系统中出现的负载突降情况。

A8518 可通过数字 (PWM) 信号控制 LED 的亮度。通过在 100Hz 的情况下进行 PWM 调光,可以实现 10,000:1 的 LED 亮度对比率;如果将 PWM 和模拟调光结合在一起使用,有可能实现 100,000:1 的更高比率。

如果需要,在出现故障时,A8519 可以驱动外部 P 通道 MOSFET 断开系统的输入电源。A8519 提供的保护包括输出短路和过压保护、二级管开路或短路保护、LED 引脚开路或短路保护以及过热保护。逐周期电流限制可防止内部升压开关出现高电流过载。A8519 通过同步引脚可以在 260 kHz 到 2.3 MHz 范围内同步升压开关频率。

高开关频率允许该转换器在 AM 无线电波段以上运行。该 IC 包含一个时钟输出引脚,它能让其他转换器与 A8519 的升压开关频率同步。

A8519 采用滞后控制来帮助在极短 PWM 接通时间内调节 LED 电流。A8519-1 与 A8519 相同,只是使用较小的滞后窗口来降低 PWM 调光过程中的输出电压纹波。

应用

  • 汽车信息娱乐系统背光
  • 汽车蓄电池组
  • 汽车中控台
  • 符合汽车AEC-Q100标准
  • 适用于升压转换器的完全整合型 42 V MOSFET
  • 完全集成型 LED 电流吸收器
  • 承受高达 40 VIN 甩负荷
  • 可在降至 3.9 VIN(最高)的电压下运行以便进行怠速停止
  • 可驱动四串 LED
  • 最大输出电压为 40 V
    • 多达 11 个白光 LED 串连在一起
  • 每串的驱动电流为 100 mA
  • 可编程的升压开关频率(200 kHz 至 2.15 MHz)
  • 同步的升压开关频率选择(260 kHz 至 2.3 MHz)
  • 抖动升压开关频率以降低 EMI
  • 非常高的 LED 亮度对比率
    • 仅使用 PWM 调光时为 10,000:1
    • 将 PWM 和模拟调光结合在一起使用时为 100,000:1
  • 在 PWM 占空比最低的情况下具有出色的输入电压瞬态响应性能
  • 适用于可选 P 通道 MOSFET 输入断开开关的门驱动器
  • LED 电流精度为 0.7%
  • LED 串电流匹配精度为 0.8%
  • 提供以下保护:
    • ƒƒ升压开关、电感器或输出电容器短路保护
    • 短路 FSET 或 ISET 电阻器保护
    • LED 引脚和 LED 串开路或短路保护
    • 升压二极管开路保护
    • 过温

Part Number Specifications and Availability

Documentation and Resources

设计工具

Filter Document Type:
All Types
All Types Webpage
Documents Found: 32
Document Type Document Name
Webpage
Software Portal