A8603:自動車用 LCD ディスプレイのマルチ出力レギュレータ

Functional Block Diagram
* Note: If you have issues logging into this feature you may need to enable 3rd party cookies in your browser settings A8603 ECAD Model Type Image

Description

Top Features

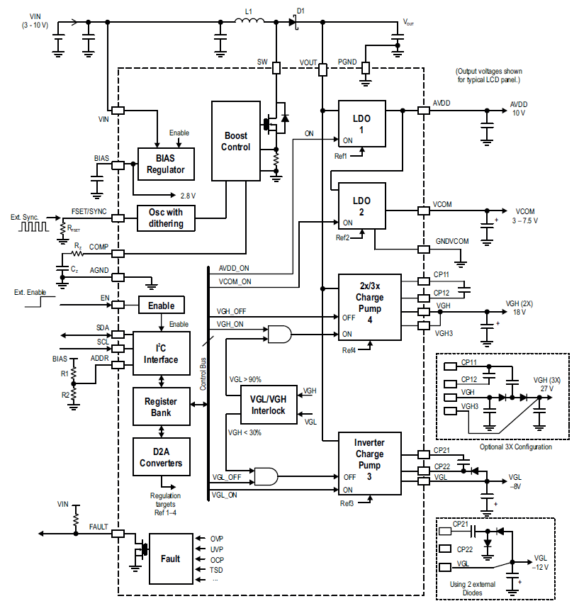
A8603 は LCD バイアス用の固定周波数のマルチ出力を供給します。スイッチング周波数は、プログラムまたは 350 kHz ~ 2.25 MHz の外部クロック信号との同期のいずれかにより、設定できます。これによって、AM と FM のラジオ帯域との干渉が最小限に抑えられます。

I2C 互換のシリアル インターフェイスにより、システム マイクロコントローラから内部レジスタに書き込むことにより A8603 を設定できます。故障時には、システム コントローラから A8603 のステータス レジスタにアクセスすることもできます。

A8603 では、昇圧ステージの後に2 つのリニア レギュレータと 2 つのチャージポンプ レギュレータが組み込まれています。各出力電圧は、シリアル インターフェイスを介して独立にプログラムできます。起動中とシャットダウン中は、あらかじめプログラムされた (遅延時間を調整可能な) シーケンスに基づいて出力がオンとオフになります。これにより、特定の LCD パネルのシーケンス要件を満たすことができます。

短絡保護は全ての出力に備わっています。昇圧スイッチは、過電流および過電圧に対して保護されています。

A8603 は 24 ピンの 4×4mm QFN パッケージで提供されます。パッケージは高温雰囲気での動作を可能にする露出熱パッド付きです。無鉛 (Pb) で、100% 曇り錫メッキが施されたリードフレームです。

用途

  • GPS
  • インフォテインメント
  • 中規模 LCD
  • 自動車グレード AEC-Q100 認定
  • 入力電圧は 3V ~ 10V
  • 4 つの出力を独立して供給
  • 各出力電圧の個別制御
  • 昇圧スイッチング周波数:350 kHz ~ 2.25 MHz
  • 外部信号との同期機能あり
  • 周波数ディザリングで EMI を低減
  • 停止電流は 10µA 以下
  • 保護機能:過電流、過電圧、短絡
  • 回路、および過熱保護
  • I2C により出力を完全にプログラム可能
    • レギュレータ電圧
    • 起動/シャットダウン シーケンス
    • 故障時の再試行カウンタ

Part Number Specifications and Availability

Documentation and Resources

Documentation

設計ツール

Filter Document Type:
All Types
All Types Brochure
Documents Found: 32
Filter Document Type:
All Types
All Types Webpage
Documents Found: 32
Document Type Document Name
Webpage
Software Portal