A8603:用于汽车 LCD 显示器的多输出稳压器

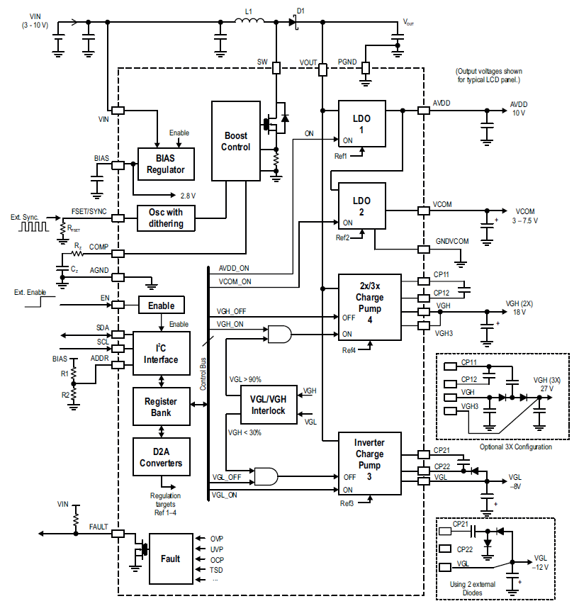
功能方框图
* Note: If you have issues logging into this feature you may need to enable 3rd party cookies in your browser settings A8603 ECAD Model Type Image

Description

Top Features

A8603 是一款用于 LCD 偏压的固定频率多路输出电源。该器件可以通过编程或外部时钟信号同步获得 350 kHz 至 2.25 MHz 切换频率。这样最大限度减少与 AM 和 FM 频带的干扰。

利用 I2C 兼容串行接口,系统微控制器可以通过写入其内部寄存器来配置 A8603。如果发生故障,系统控制器还可以访问 A8603 状态寄存器。

A8603 集成一个升压级,其后是两个线性稳压器和两个电荷泵稳压器。每个输出电压可以通过串行界面进行独立编程。在上电和关闭过程中,可以按预编程次序(带有可调节延迟)开启并关闭输出。这样可以满足特定 LCD 面板的顺序要求。

所有输出均有短路保护。升压开关有过电流和过压保护。

A8603 采用 24 针脚 4 × 4 mm QFN 和 24 针脚 TSSOP 封装,这两种封装模式均带有裸露散热焊盘,以便在环境温度较高时工作。包装均为无铅产品,采用 100% 雾锡电镀。

应用

  • GPS
  • 资讯娱乐
  • 中型 LCD
  • 符合汽车 AEC-Q100 标准
  • 输入电压 3V 至 10V
  • 四个单独输出电源
  • 独立控制每个输出电压
  • 提高开关频率:350 kHz 至 2.25 MHz
  • 提供外部同步功能。
  • 频率抖动以减少 EMI
  • 关断电流小于 10 µA
  • 保护功能:过电流、过电压、
  • 短路和热过载保护
  • 通过 I2C 实现完全可编程输出
    • 稳压器电压
    • 启动/关闭顺序
    • 故障重试计数器

Part Number Specifications and Availability

Documentation and Resources

Documentation

设计工具

Filter Document Type:
All Types
All Types Brochure
Documents Found: 32
Filter Document Type:
All Types
All Types Webpage
Documents Found: 32
Document Type Document Name
Webpage
Software Portal