A3922:汽车用全桥 MOSFET 驱动器

A3922 Functional Block Diagram Chinese
* Note: If you have issues logging into this feature you may need to enable 3rd party cookies in your browser settings A3922 ECAD Model Type Image

Description

Top Features

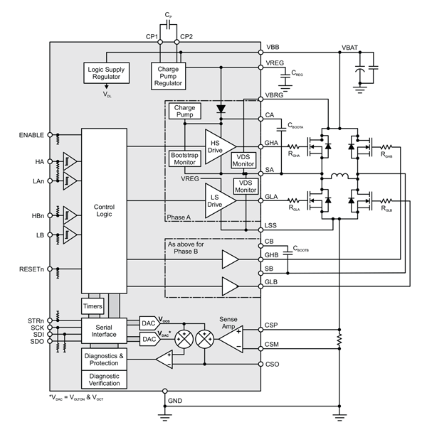
A3922 是一款可以控制以全桥式(H 桥)设置连接的 MOSFET 的 N 通道功率 MOSFET 驱动器,特别针对使用大功率电感负载(如:直流电刷电动机螺线管和致动器)的汽车应用而设计。我们可以提供完整的 ISO-26262 文件,帮助客户进行安全关键申请,以获得 ASIL-D 认证。

独特的电荷泵稳压器提供可编程门极驱动器电压,以应对电池电压低至 7V 的情形,并允许 A3922 在门极驱动器电压降至 5.5V 时运行。自举电容器用于提供 N 通道 MOSFET 需要的上述电池电源电压。

全桥可由独立的逻辑电平输入或兼容 SPI 的串行接口控制。可编程无感时间可使外部功率 MOSFET 免于击穿。

集成诊断可指示多个内部故障、系统故障和功率桥接故障,并可配置于大多数短路情况下保护功率 MOSFET。对于安全性至关重要的系统而言,集成诊断操作可以在串行接口的控制下进行验证。

除了可以提供对桥控制的全面访问权限外,串行接口还可以用于更改可编程设置,例如无感时间、VDS 阈值和故障空白时间。可以通过串行接口读取详细的诊断信息。

A3922 采用 28 引脚 eTSSOP 封装(后缀为 LP)。这种封装可采用无铅 (Pb) 型配置,引脚框采用 100% 雾锡电镀(后缀 –T)。

ASIL 徽标


ISO 26262 认证产品按照 ISO 26262:2011 标准在组件层面进行设计。

ASIL-D ISO 26262 证书

  • 全桥 MOSFET 驱动器
  • 用于 N 通道 MOSFET 桥的自举栅极驱动
  • 通过可调节无感时间进行交叉传导保护
  • 低电源电压下运行的电荷泵
  • 可编程栅极驱动电压
  • 5.5 至 50V 电源电压运行范围
  • 集成电流感应放大器
  • SPI 兼容串行接口
  • 通过直接逻辑输入或串行接口进行桥控制
  • 与 TTL 兼容的逻辑输入
  • 开路负载检测
  • 广泛的可编程诊断
  • 诊断验证
  • 安全辅助功能

Part Number Specifications and Availability

Documentation and Resources

Documentation

设计工具

Filter Document Type:
All Types
All Types Brochure Technical Article
Documents Found: 32
Filter Document Type:
All Types
All Types Webpage
Documents Found: 32
Document Type Document Name
Webpage
Software Portal