A4989: 带微步转换器的双路全桥式 MOSFET 驱动器

产品图像
* Note: If you have issues logging into this feature you may need to enable 3rd party cookies in your browser settings A4989 ECAD Model Type Image

Description

Top Features

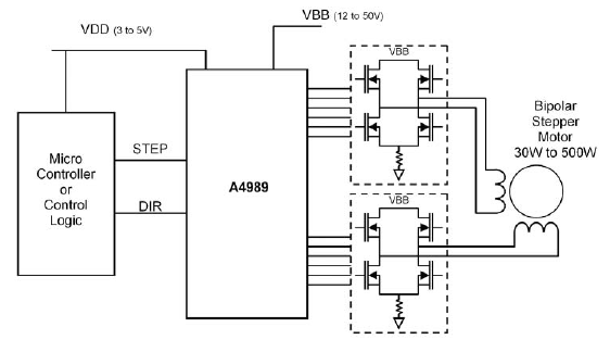
A4989 是双路全桥式门极驱动器,带有集成微步转换器,该转换器适用驱动各种高功率工业用双极二相步进电动机(一般为 30 至 500  瓦特)。由外部 N 通道功率 MOSFET 提供电动机功率,电源电压为 12 至 50  伏特。

该装置包括两个正弦 DAC,可为两个独立的固定停机时间脉宽调制 (PWM) 电流控制器产生参考电压。并可为外部功率 MOSFET 全桥提供电流调节。

电动机步进由双线式步进及方向界面控制,在完整、1/2、1/4 及 1/16 步进分解中,提供完整的微步控制。固定停机时间稳压器能够在慢、混合或快速衰减模式下进行操作,其操作可减少可听得见的电动机噪音、增加步进精确度并减少功率消耗。

转换器是该集成电路 (IC) 易于实施的关键。只要在“步进”输入中输入一个脉冲,即可驱动电动机产生一个步进(完整、1/2、1/4 或 1/16 步进,根据微步选择输入的情况而定。)。该程序中没有相位顺序表、高频率控制行或复杂的界面。这样就减少了对复杂微控制器的需要。

通过自举电容器可提供上述高端 N 通道 MOSFET 所需要的电源电压。通过应用同步整流可提高效率,集成交叉控制与可编程无感时间可使功率 FET 免于击穿。

另外,交叉电流控制、内部电路保护可预防因滞后而引起的过热关机及欠压保护。不需要特别的加电排序。

该产品采用 38 引脚 TSSOP(封装 LD)封装。该封装为无铅封装,采用 100% 雾锡电镀引脚框。

  • 2 线式步进及方向界面
  • N 通道 MOSFET 双路全桥门极驱动器
  • 在12 至 50  伏特的电源电压范围内操作
  • 同步整流
  • 交叉传导保护
  • 可调混合衰减
  • 集成正弦 DAC 电流参考
  • 固定停机时间 PWM 电流控制
  • 微步时更好地控制低电流
  • 与 A3986 引脚兼容

 

Part Number Specifications and Availability

Documentation and Resources

Third Party Design Tools

Filter Document Type:
All Types
All Types Third Party Tool
Documents Found: 32
Document Type Document Name
Third Party Tool
Mikroe Power Step Click