Brushless DC Drivers

High-Performance, Safety BLDC Three-Phase MOSFET Driver for ADAS High-Performance

A89199

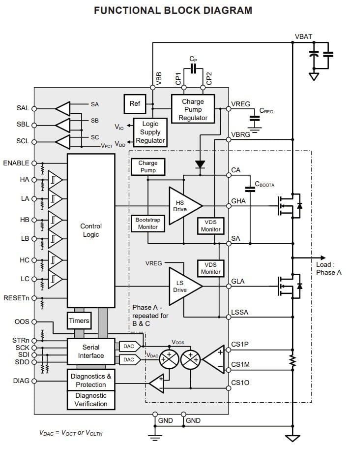
The A89199 is the next-generation revision of the popular A4918. It is an N-channel power MOSFET driver capable of controlling MOSFETs connected in a three-phase bridge arrangement and is specifically designed for safety automotive applications with high-power inductive loads, such as brushless direct-current (BLDC) motors used in power steering and braking systems. The A89199 provides an alternative supply chain and unique process node that can provide software compatible heterogeneous solution in a fully redundant steer-by-wire power steering system.

Product Details

Top Features

  • 3-phase bridge MOSFET driver with bootstrap gate drive for N-channel MOSFET bridge
  • Cross-conduction protection with adjustable dead time
  • Strong charge pump regulator terminal voltage (VREG) charge pump supports up to 50 mA average gate-switching current and enables 410 nC external MOSFETs to be driven at 20 kHz. Additionally, an integrated top-off charge pump can provide for 100% pulse-width modulation (PWM)
  • Programmable gate-drive voltage and strength for EMI mitigation
  • 4.5 to 50 V supply-voltage operating range

Part Number Specifications and Availability

Design Tools