A5988:四路 DMOS 全桥式 PWM 电机驱动器

* Note: If you have issues logging into this feature you may need to enable 3rd party cookies in your browser settings A5988 ECAD Model Type Image

Description

Top Features

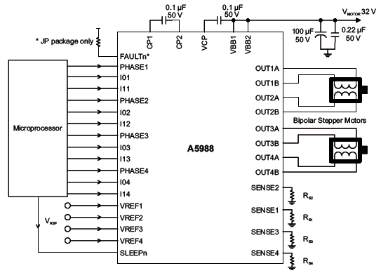
A5988 是一种四路 DMOS 全桥式驱动器 IC,最多可以驱动两台步进电机或四台直流机每个全桥输出的额定值为 1.6 A 和 40 V。A5988 包括固定停机时间脉宽调制 (PWM) 电流稳压器和 2 位非线性 DAC (数字-模拟转换器),DAC 可以以全步进、半步进、四分之一或八分之一步进模式控制步进电机,并可以以向前、反转和滑行模式控制直流电机PWM 电流稳压器使用 Allegro™ 专利混合衰减模式来减少可闻电机噪音、增加步进精确度并减少功率耗散。

提供的内部同步整流控制电路可以改善 PWM 操作过程中的功耗。保护功能包括滞后过热关机、欠电压锁定 (UVLO) 及交叉电流保护。不需要特别的加电排序。

A5988 提供 EV 和 JP 两种封装方式,带有可以增强散热性能的外露隔热盘。EV 是一种尺寸为 6 mm × 6 mm 的 36 引脚 QFN 封装,其标准整体封装高度为 0.90 mm。JP 是一种尺寸为 7 mm × 7 mm 的 48 引脚 LQFP 封装。两种封装均为无铅 (Pb) 封装,引脚框均采用 100% 雾锡电镀。

  • 40 伏特输出率
  • 四路全桥式
  • 双路步进电机驱动器
  • 高电流输出
  • 兼容 3.3 和 5 V 逻辑电位
  • 同步整流
  • 内部欠压锁定 (UVLO)
  • 热关机电路
  • 交叉电流保护
  • 过电流保护
  • 低功率休眠模式
  • 扁平型 QFN 封装

Part Number Specifications and Availability

Documentation and Resources

设计工具

Filter Document Type:
All Types
All Types Webpage
Documents Found: 32
Document Type Document Name
Webpage
Software Portal