Quadruple Output Regulator for Car Audio and Infotainment Systems

A8600

Product Image

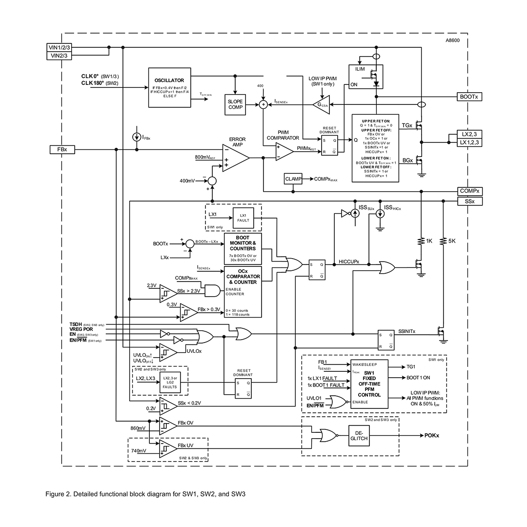
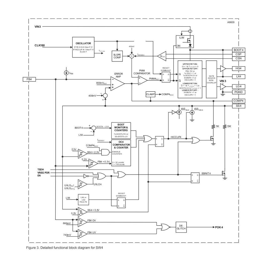
The A8600 provides a complete power solution for car audio and infotainment systems, featuring four independent switching regulators, two high-side switches, BU/ACC voltage detectors, and a mute delay.

* Note: If you have issues logging into this feature you may need to enable 3rd party cookies in your browser settings A8600 ECAD Model Type Image

Top Features

Packaging

  • Four independent, high current switching regulators
  • Adjustable 1.0 A/±1.5% always-on asynchronous buck regulator with an integrated 150 mΩ MOSFET (SW1)
    • Employs PFM to deliver 3.3 V/40 μA while drawing less than 50 μA from VIN of 12 V
    • Operates down to at least 3.6 VIN
  • Adjustable 1.5 A/±1.5% asynchronous buck regulator with an integrated 120 mΩ high-side MOSFET (SW2)
  • Adjustable 2.0 A/±1.5% asynchronous buck regulator with an integrated 110 mΩ MOSFET (SW3)
  • Adjustable ±1.5% synchronous buck controller with integrated gate drivers and current sensing (SW4)
  • Fixed 425 kHz, interleaved PWM switching frequency
  • EN/SYNC input for PWM frequency scaling
  • Adjustable soft-start time for each switching regulator
  • All switching regulators provide prebias startup with zero reverse current
  • All switching regulators have overvoltage protection
  • External compensation for all switching regulators
  • Power OK (POK) open-drain output with de-glitch
  • BU and ACC voltage detectors and comparators
  • Mute control with programmable delay
  • Two internal high-voltage, high-side NMOS switches (S1 and S2) with foldback short circuit protection
  • High-side switches simultaneously controlled on/off
  • High-side switches block reverse current
  • Internal charge pump for high-side switch biasing
  • Withstands surge voltages up to 40 V
  • −40°C to 85°C ambient operating temperature range
  • 150°C maximum junction temperature
  • Thermally enhanced, surface mount package

The A8600 is supplied in a low profile 48-pin LQFP package (suffix JP) with exposed power pad. It is lead (Pb) free, with 100% matte tin leadframe plating.

JP Package Documentation

Part Number Specifications and Availability

Documentation and Resources

Design Tools

Filter Document Type:
All Types
All Types Webpage
Documents Found: 32
Document Type Document Name
Webpage
Software Portal