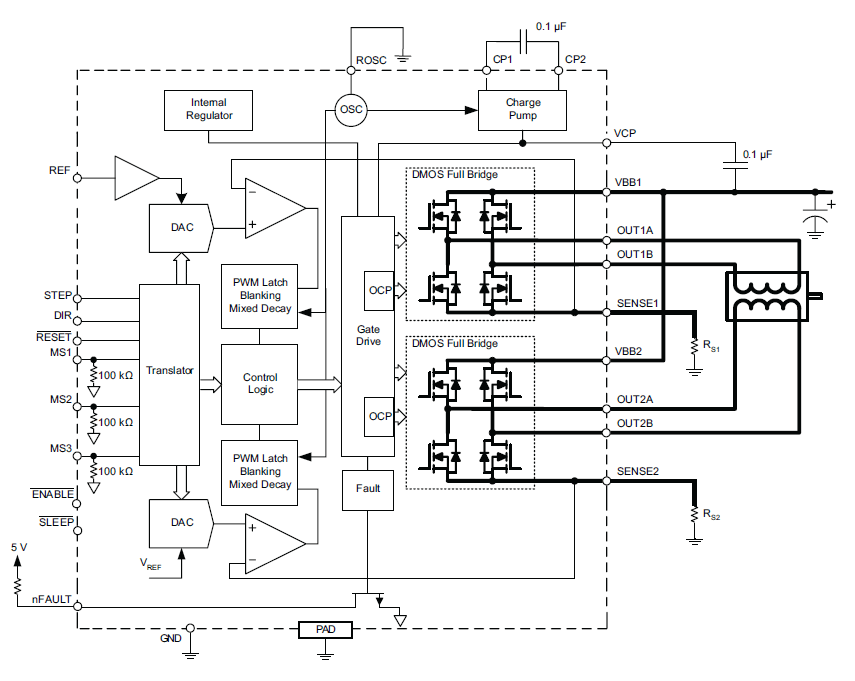
DMOS Microstepping Driver with Adaptive Current Control for Quiet Operation

A5984

Step Motor/Stepper Driver Integrated Circuit A5984 Product Image

The A5984 offers quiet and precise control of stepper motors, featuring adaptive current control to minimize noise and vibration, along with an integrated translator and selectable step modes for simplified design.

* Note: If you have issues logging into this feature you may need to enable 3rd party cookies in your browser settings A5984 ECAD Model Type Image

Top Features

Packaging

  • Drop-in replacement for A4984
  • Proprietary QuietStep option
  • Low RDS(on) outputs
  • Single supply
  • Microstepping up to 32 microsteps per full step
  • Full torque step modes
  • Short-to-ground protection
  • Shorted load protection
  • Short-to-battery protection
  • Fault output
  • Low current Sleep mode, < 10 μA
  • No smoke no fire (NSNF) compliance (ET package)
  • Thin profile QFN and TSSOP packages
  • Thermal shutdown circuitry
  • Synchronous rectification for low power dissipation
  • Internal UVLO
  • Crossover-current protection

Typical Applications

  • Video Security Cameras
  • Printers
  • Scanners
  • Robotics
  • ATM
  • POS

The A5984 is supplied in three surface mount packages: two QFN packages, the 4 mm × 4 mm, 0.75 mm nominal overall height ES package, and the 5vmm × 5 mm × 0.90 mm ET package. The LP package is a 24‑pin TSSOP. All three packages have exposed pads for enhanced thermal dissipation, and are lead (Pb) free (suffix –T), with 100% matte-tin-plated leadframes.

ES Package Documentation

ET Package Documentation

LP Package Documentation

Part Number Specifications and Availability

Documentation and Resources

Documentation

Design Tools

Filter Document Type:
All Types
All Types Brochure Technical Article
Documents Found: 32
Filter Document Type:
All Types
All Types Third Party Tool User Guide Webpage
Documents Found: 32
Document Type Document Name
Third Party Tool
Pololu Carrier Boards
User Guide
A5984GES Evaluation Board User Guide
Webpage
Software Portal