应用信息 / 微功率位置感应在手机中的应用
作者: Shaun Milano, Allegro MicroSystems 公司
手机制造商在新机型中集成越来越多的功能,对不同机械配置的需求也随之增加。尽管大多数型号仍然是标准手机,那些不仅可作为手机,还可作为 PDA 或 MP3 播放器的机型越来越受欢迎。微功率霍尔效应传感器适用于感测各种手机配置的“开-合”滑动位置,是当今市场上最受欢迎的解决方案。多用途手机通常不仅需要感测“开-合”,还需要感测第三种位置,例如旋转或向另一个方向翻转。本备忘录将说明如何在标准翻盖或滑盖手机中使用Allegro® A1171,以及仅使用一块磁铁和一个传感器在多用途应用中感测三种位置的技术。
标准滑盖或翻盖手机配置
在标准配置中,使用单个霍尔效应IC和纽扣型磁铁感测打开和闭合位置。
在闭合位置上,霍尔效应IC(例如图1A中所示的H)与一个简单的纽扣型磁铁(标明其北(N)极和南(S)极)对齐。在此位置上,霍尔传感器输出锁定在“on(打开)”状态,因为磁通量密度大于装置的磁性作业点。在打开位置上(图1B),磁场足够弱,所以霍尔传感器输出为 “off(关闭)”。.这种简单的技术在滑盖和翻盖手机中得到了广泛的应用。
使用全极性IC开关可使制造过程更加简单,因为安装磁铁时无需考虑面向霍尔传感器的是哪一极 - 无论北极或南极均可用于激活IC开关。在图1的示例中,南极在置于靠近霍尔传感器的位置时为激活极,然而对于全极性传感器,若将北极置于此位置亦可获得相同效果。
图3和4比较了全极性开关(图3)和我们熟悉的单极性开关(图4)的转移函数。在两个图形中,垂直坐标轴表示IC对冲击磁场的输出电压响应。沿着水平坐标轴向左北极磁通量递增(递增B–),向右南极磁通量递增(递增B+),中间原点表示中极性(B = 0)。
双模式IC开关
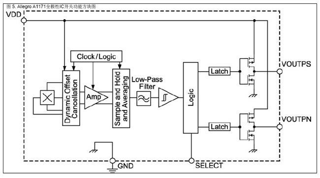
图5显示的是A1171双模式开关的简易方块图。术语双模式是指A1171既可作为全极性开关,又可作为一对单极性开关工作的能力。A1171可在电源电压低至1.65 V时工作,使其可在带有最新单锂电池的手机和PDA中使用。其自带“push-pull(推拉)”输出,不需要使用外部上拉电阻器。
“SELECT(选择)”针脚的状态决定A1171的工作模式。当此针脚为“浮动”或与VCC相连时,该部件以全极性模式工作,如图3所示。当此针脚接地时,A1171以单极性模式工作,如图4所示。请注意,在全极性模式下(图3),独立输出是补充性的,而在单极性模式下(图4),独立输出为南极或北极激活的开关。
通过在单极性模式下使用两个输出,并改变感测磁铁的方向,A1171可感测三种位置,支持多用途手机应用中所需的更多种关节位置。在单极性模式下,VOUTPS针脚为南极激活的开关输出,VOUTPN针脚为北极激活的开关输出。
多用途多位置应用
图6显示了一种多用途应用。当手机完全闭合时(图6A),例如在MP3应用中,磁铁的南极正对霍尔传感器。A1171的输出为VOUTPS low(低)和VOUTPN high(高),对应图4A和4B的B+侧。
用于手机应用(图6B)时,在滑开位置,霍尔传感器受北极磁场控制,VOUTPN为low(低),而VOUTPS为 high(高),对应图4A和4B的B–侧。最后,用于文本输入或PDA,安装在全键盘上并处于旋转打开位置时(图6C),两个开关均不受强磁场控制,两者输出均为high(高)(在图4A和4B中B = 0)。
输出值表列出了所有三种手机位置及其相应的输出状态。此技术在对机械位置和感测磁铁进行优化调整后可应用于旋屏或滑盖手机。

总结
此备忘录说明了如何使用高级霍尔效应传感器 Allegro A1171,在全极性工作模式下感测两种不同位置,以及如何在启用单极性工作模式下感测三种位置。这些IC可以降低制造成本和改进应用设计,因为其仅使用一块磁铁和一个传感器即可感测三种位置。还提供了有关使用此IC全极性输出其中之一或两个单极性输出:VOUTPS和VOUTPN,以及使用SELECT 输入选择工作模式的指导。A1171 是简单滑盖或翻盖手机位置感测的理想选择,同样适用于多用途滑盖或旋屏应用的三种位置感测。






