A4980: 汽车可编程步进驱动器

* Note: If you have issues logging into this feature you may need to enable 3rd party cookies in your browser settings A4980 ECAD Model Type Image

Description

Top Features

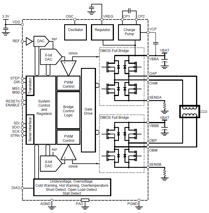
A4980 是一款灵活的微步电动机驱动器,带有内置转换器,易于操作。它采用单芯片解决方案,能够以全步进、半步进、四分之一及十六分之一步进模式驱动双极步进电动机,工作电压和电流可达 28 V 和 ±750 mA。A4980 可使用简单的步进和方向输入或通过 SPI 兼容型接口控制,而且还能用于设置多种整合功能及读取诊断信息。

电流调整器通过编程,能以固定停机时间或固定频率 PWM 工作,并可通过多种衰减模式降低电动机的可闻噪音和提高步进准确性。而且,相电流表可以通过串行接口编程,为特定应用建立适用的微步进电流分布,进一步提高电动机的性能。

电动机的所有相电流均通过 DMOS 全桥式装置控制,使用同步整流,减少功率耗散。在高侧驱动和低侧驱动之间切换时,内部电路和计时器可防止跨导和击穿,

从而避免输出短路。此外,它还具有低负载电流和失速转子检测功能。芯片级保护包括:高温和低温警告、过温关机、过压和欠压锁定。

应用

  • 汽车步进电动机
  • 引擎管理
  • 车头灯定位
  • 典型应用 ±750 mA、28 V
  • 低 RDS(开)输出,一般为 0.5   Ω源极和灌电流
  • 自动电流衰减模式检测/选择
  • 混合、快、慢电流衰减模式
  • 同步整流,减少功率耗散
  • 内部过压锁定(OVLO)、欠压锁定 (UVLO) 与过热关机电路
  • 交叉电流保护
  • 短路和断路诊断
  • 高温和低温警告
  • 失速检测功能
  • SPI 兼容型或简单的步进和方向运动控制
  • 通过 SPI 兼容型串行接口提高可配置性

Part Number Specifications and Availability

Documentation and Resources

设计工具

Filter Document Type:
All Types
All Types Webpage
Documents Found: 32
Document Type Document Name
Webpage
Software Portal